Shematic.net
Больше чем схемотехникаКодированная АМ/FM система радиоуправления
Схемы >> Схемы в быту >> Кодированная АМ/FM система радиоуправленияКодированная АМ/FM система
радиоуправления
Система радиоуправления
работает на частоте около 418 МГц. Применение:
дистанционное открывания ворот гаража,
включения сигнализации,
включения освещения и т.д. Радиус
действия 300 м. На рис.1 показана схема
передатчика, где S5 задает определенный код, IC1 (HT6014) – кодер, IC2 (AM-RT4-418) – RF передатчик (для FM используется FM-TX2-418-3V на рис.2). С помощью S1, S2, S3, S4 можно управлять четырьмя
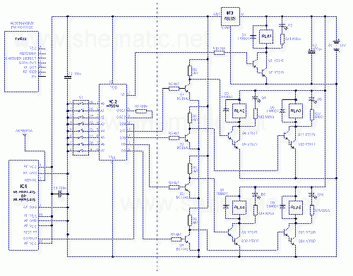
устройствами на приемной стороне. На рис.5
показана схема приемника, где IC1 – RF приемник, S1 должен устанавливаться в то же
положение, что и S5 в передатчике, IC2 (HT6034) – декодер, RLA2….RLA5 –
исполнительные реле. Рис.3 – схема антенны к
приемнику, рис.4 – схема антенны к
передатчику.

Рис.1. Схема передатчика

Рис.2. RF передатчик

Рис.3. Схема антенны к
приемнику

Рис.4. Схема антенны к
передатчику

Рис.5. Схема приемника
(нажмите для увеличения)
Литература:
“Everyday Practical Electronics/ETI”, №5/99.
добавлено 28.01.08 01:20:54 |
просмотрено 34127 раз