Shematic.net
Больше чем схемотехникаГенератор фаз для импульсного источника питания
Схемы >> Источники питания >> Генератор фаз для импульсного источника питанияЦелью данной статьи есть создание генераторов фаз для импульсных источников питания с доступных радиоэлементов, простых в использовании и настройке. Основой таких схем есть генераторы, мультивибраторы на биполярных транзисторах КТ315, КТ361 и логических элементах К155ЛА3, К555ЛА3, К155ЛИ1, К555ЛИ1.

Для мультивибраторов на транзисторах рис.1, рис.2 выходная частота зависит от номиналов резисторов R1, R2, конденсаторов С1, С2, а при R1 = R2 = R и С1 = С2 = С будет иметь форму меандра и расчитывается по формуле: f ≈ 2π√ 2 /RC, где все единицы в системе СИ. Мультивибраторы на выходах формируют импульсы со скважностью 2. Резисторы R1, R2 рис.1 не должны быть больше 470, 510 Ом чтобы формировались логические нули с сответствующими уровнями для последующих логических радиоэлементов. С номиналами резисторов и конденсаторов, указанных на схемах рис.1, рис.2, мультивибраторы формируют импульсы частотой 43 - 48 кГц.
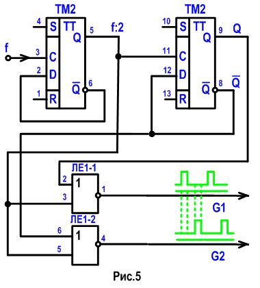
Мультивибраторы на логических элементах И-НЕ и ИЛИ-НЕ (рис.3, рис.4) не формируют импульсы со скважностью 2, поэтому после них необходимо поставить делитель на 2 на D-триггере. С номиналами резисторов и конденсаторов, указанных на схемах рис.3, рис.4, мультивибраторы формируют импульсы частотой 83 - 85 кГц. На рис.5 паказана схема формирователя фазовых сигналов для импульсных источников питания, а на рис.6 – эпюры импульсных сигналов ТТЛ уровней, где G1 и G2 – фазы этих сигналов (импульсы сигналов сдвинуты во времени на пол периода):


Особенностью такой схемы есть то, что когда формируется импульс на одном выходе, например G1, на другом выходе G2 в этот момент сигнала нет, низкий уровень. Когда высокий уровень сигнала упадет до нуля, логический нуль, наступает пауза и за тем формируется импульс на выходе G2, при этом на выходе G1 удерживается уровень логического нуля. Дальше импульсные сигнали G1, G2 от генератора фаз через усилители тока подаются на плечи импульсного источника питания. На рис.7 показана временная диаграмма работы генератора фаз для импульсных источников питания с момента подачи питания где:

Uп – напряжение питания всего устройства;
UF – напряжение питания формирователя фаз, появляется с
некой задержкой Δt от Uп;
f:2 – выходная частота после делителя на 2 на D-триггере;
G1, G2 – выходные импульсы генератора фаз.
При изменении частоты f на выходе мультивибратора все временные
интервалы в генераторе фаз изменяются пропорционально, как импульсов, так и
пауз. Если в генераторе фаз для мультивибратора и формирователя (рис.5)
использовать микросхему К155ЛА3, или К555ЛА3 на выходах G1 и G2 будут инверсные
сигналы, тогда дополнительно необходимо использовать инверторы.
На рис.8 и рис.9 фотографии осциллограм работы генератора фаз для импульсных
источников питания:

Рис. 8.

Рис. 9.
Осциллограммы работы генератора фаз для импульсных источников питания.
добавлено 29.05.24 13:49:22 |
просмотрено 1719 раз