Shematic.net
Больше чем схемотехникаСхема электрооборудования автомобиля ВАЗ 21013
Схемы >> Автоэлектросхемы >> Схема электрооборудования автомобиля ВАЗ 21013Схема электрооборудования автомобиля ВАЗ 21013

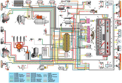
Схема
электрооборудования автомобиля ВАЗ
21013.
(нажмите для увеличения).
Условные обозначения датчиков, органов управления и контроля к схеме электрооборудования автомобиля ВАЗ 21013
1. Фары.
2. Подфарники.
3. Боковые указатели поворота.
4. Аккумуляторная батарея ВАЗ 21013.
5. Реле контрольной лампы заряда аккумуляторной батареи.
6. Реле включения ближнего света фар.
7. Реле включения дальнего света фар ВАЗ 21013.
8. Генератор ВАЗ 21013.
9. Стартер ВАЗ 21013.
10. Подкапотная лампа.
11. Свечи зажигания.
12. Датчик контрольной лампы давления масла.
13. Датчик указателя температуры охлаждающей жидкости.
14. Звуковые сигналы.
15. Распределитель зажигания.
16. Электродвигатель стеклоочистителя ВАЗ 21013.
17. Датчик контрольной лампы уровня тормозной жидкости.
18. Катушка зажигания.
19. Электродвигатель омывателя ветрового стекла
20. Регулятор напряжения ВАЗ 21013.
21. Электродвигатель отопителя ВАЗ 21013.
22. Лампа освещения вещевого ящика
23. Добавочный резистор электродвигателя отопителя
24. Штепсельная розетка для переносной лампы.
25. Выключатель контрольной лампы стояночного тормоза.
26. Выключатель сигнала торможения.
27. Реле - прерыватель указателей поворота ВАЗ 21013.
28. Выключатель света заднего хода.
29. Блок предохранителей.
30. Реле - прерыватель контрольной лампы стояночного тормоза.
31. Реле стеклоочистителя ВАЗ 21013.
32. Переключатель электродвигателя отопителя.
33. Прикуриватель.
34. Выключатели плафонов, расположенные в стойках задних дверей.
35. Выключатели плафонов, расположенный в стойках передних дверей.
36. Плафоны.
37. Выключатель зажигания.
38. Комбинация приборов ВАЗ 21013.
39. Указатель температуры охлаждающей жидкости.
40. Контрольная лампа дальнего света фар.
41. Контрольная лампа наружнего освещения.
42. Контрольная лампа указателей поворота.
43. Контрольная лампа заряда аккумуляторной батареи.
44. Контрольная лампа давления масла.
45. Контрольная лампа стояночного тормоза и уровня тормозной жидкости.
46. Указатель уровня топлива.
47. Контрольная лампа резерва топлива.
48. Лампа освещения комбинации приборов
49. Переключатель света фар.
50. Переключатель указателей поворота.
51. Выключатель звукового сигнала.
52. Выключатель омывателя ветрового стекла.
53. Переключатель стеклоочистителя.
54. Выключатель наружного освещения.
55. Выключатель освещения приборов.
56. Датчик указателя уровня и резерва топлива.
57. Лампа освещения багажника.
58. Задние фонари.
59. Фонарь освещения номерного знака.
60. Фонарь света заднего хода.
добавлено 23.07.07 19:17:25 |
просмотрено 45485 раз
Смотрите также
Схема электрооборудования автомобиля ВАЗ 21061, ВАЗ 21063 выпуска c 1988 г.
Схема электрооборудования автомобиля ВАЗ 2106
Схема электрооборудования автомобиля ВАЗ 21013
Схема электрооборудования автомобиля ВАЗ 2103
Схема электрооборудования автомобиля ВАЗ 21061, ВАЗ 21063 выпуска до 1987 г.